×
Login Form
×
Registration
Profile Informations
Login Datas
or login
Details
Standaard Econ® manometer volgens de EN 837-1 voor industriële toepassingen. Geschikt voor schone en niet agressieve gassen en vloeistoffen die het messing meetsysteem niet aantasten. Deze manometers worden in vrijwel elke industrie toegepast waar de manometer in een droge omgeving staat.
Druk- en temperatuurbereik
| Druk/temperatuur | Bereik |
| Omgevingstemperatuur kastdiameter 80 mm | –20 tot 60 °C |
| Omgevingstemperatuur kastdiameter 100 mm | –40 tot 60 °C |
| Medium temperatuur | +80 °C max. |
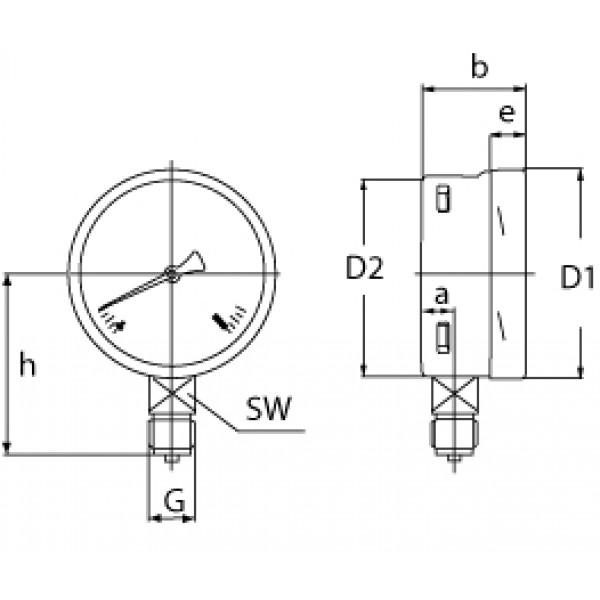
Afmetingen
|
Kastdiameter |
D1 |
D2 |
b |
e |
a |
sw |
h |
G |
| [mm] | ["] | |||||||
| 80 | 83,5 | 80 | 32 | 5,5 | 9,5 | 22 | 70,5 | G¼ |
| 100 | 101 | 99 | 49,5 | 17,5 | 15,5 | 22 | 87 | G½ |
| 160 | 161 | 159 | 49,5* | 17,5 | 15,5 | 22 | 118 | G½ |
| * bij ≥1600bar dan + 16 mm | ||||||||
Extra informatie
BeschermingsklasseIP-54 volgens EN 60 529 / lEC 529.
Toelaatbare druk
Bij een constante belasting tot 100% van de eindwaarde en bij wisselende belasting tot 90% van de schaalwaarde. Korttijdig 130% van de eindwaarde.
Temperatuurinvloed
De meter is bij 20°C afgesteld. Bij elke 10 K temperatuurverschil kan de meter ± 0,4% van het meetbereik meer gaan afwijken.
Extra specificaties
| Gewicht (g.) | 605 |
|---|---|
| Afmeting verpakking (LxBxH) | 140 x 110 x MM |
| Artikelnummer | EC003307E1A4130 |
| CBS-nummer | 90262040 |
| Fabrikant | Econ |
| Serie / programma | N/B |
| Figuurnummer | 330 |
| Materiaal kast | RVS |
| Minimum Meetbereik | N/B |
| Maximum Meetbereik | 4 |
| Drukeenheid | bar |
| Nauwkeurigheidsklasse | 1,6 % |
| Materiaal procesaansluiting | Messing |
| Aansluiting | Buitendraad (BSPP) |
| Plaats aansluiting | Onder |
| Vloeistof gedempt | Nee |
| Kastdiameter (mm) | 80 |
| Materiaal ruit | Plastic |
| Maat procesaansluiting | 1/2" |
| Montage manometer | Direct |

